Balkenklem - Yale YC - 1.000 tot 10.000kg
| Certificats | CE |
|---|---|
| Artikelcode | MET-Balkenklem Yale-10966 |
Balkenklem - Yale YC - Capaciteit 1.000 tot 10.000kg
Balkenklem - Yale YC - Capaciteit 1.000-10.000 kg
Een balkenklem maakt een snelle en veelzijdige bevestiging mogelijk voor een takel, katrol of last. Deze klem is eenvoudig te monteren. Ze is snel en flexibel in gebruik dankzij de grote verstelbaarheid.
De centrale stelschroef (ook spindel genoemd) zorgt voor een gemakkelijke en veilige bevestiging. De stelschroef kan worden vastgezet om te voorkomen dat ze losraakt.
Dit ophangpunt kan ook gebruikt worden als hijsklem of als horizontaal ankerpunt.
De balkenklem is niet geschikt voor het hijsen van personen en mag nooit voor dit doel worden gebruikt.
Wordt geleverd met gebruiksaanwijzing, conformiteitsverklaring (volgens EN 10204-2.1) en met een verslag van onderzoek voor indienststelling (Socotec).
![]() |
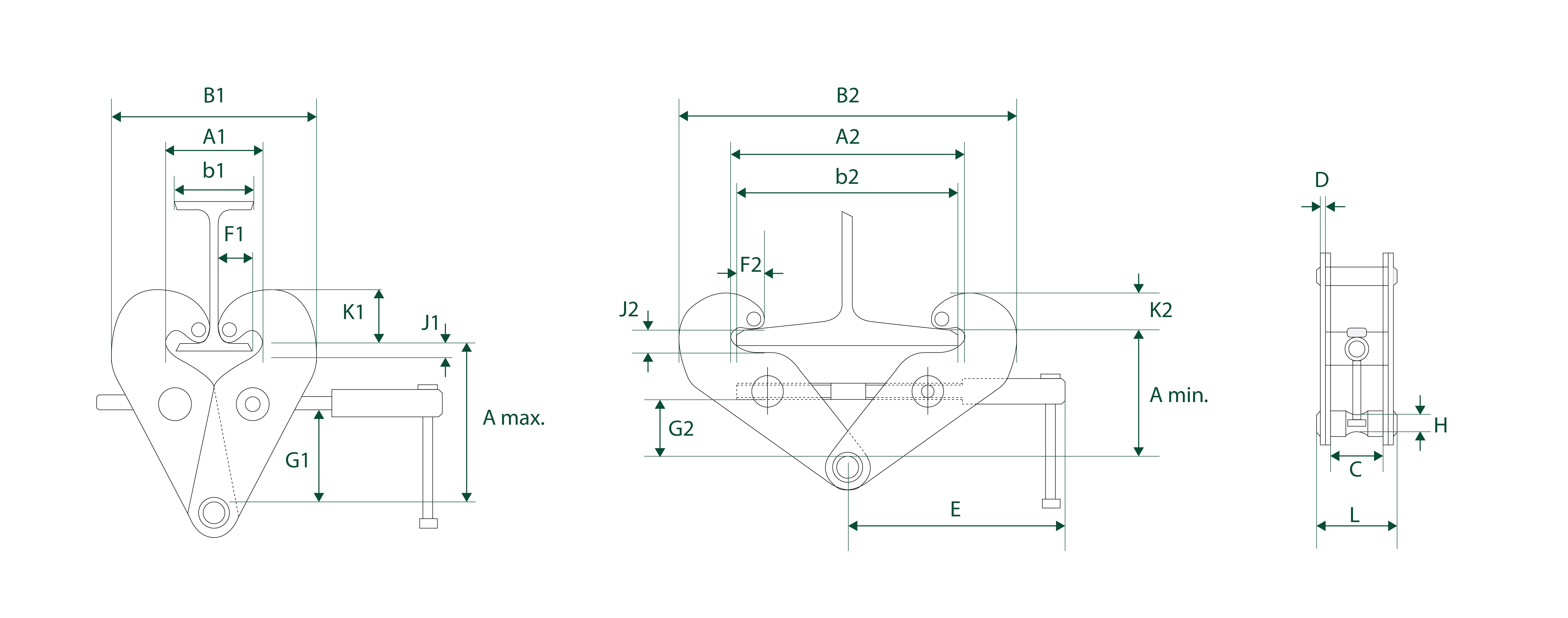
| Capaciteit | YC 1t | YC 2t | YC 3t | YC 5t | YC 10t |
| A min., mm | 115 | 115 | 180 | 180 | 175 |
| A max., mm | 150 | 150 | 225 | 225 | 220 |
| A1, mm | 78 | 78 | 80 | 90 | 90 |
| A2, mm | 246 | 246 | 320 | 310 | 320 |
| B1, mm | 186 | 186 | 232 | 242 | 268 |
| B2, mm | 350 | 350 | 455 | 445 | 480 |
| b1, mm | 75 | 75 | 80 | 90 | 90 |
| b2, mm | 230 | 230 | 320 | 310 | 320 |
| C, mm | 50 | 50 | 70 | 70 | 70 |
| D, mm | 4 | 6 | 8 | 10 | 14 |
| E, mm | 215 | 215 | 255 | 255 | 275 |
| F1, mm | 34 | 35 | 35 | 35 | 35 |
| F2, mm | 17 | 18 | 21 | 21 | 20 |
| G1, mm | 82 | 82 | 120 | 116 | 110 |
| G2, mm | 44 | 44 | 75 | 75 | 66 |
| H, mm | 20 | 20 | 22 | 28 | 38 |
| J1, mm | 14 | 14 | 30 | 30 | 34 |
| J2, mm | 21 | 21 | 34 | 34 | 35 |
| K1, mm | 48 | 50 | 60 | 60 | 60 |
| K2, mm | 31 | 32 | 40 | 42 | 40 |
| L, mm | 84 | 94 | 122 | 129 | 146 |
Vandaag besteld vóór 10u? Dan verzenden we dezelfde dag nog. Levering: 1–2 werkdagen in België, 2–3 in Nederland. Combineert u met maatwerk? Dan verzenden we alles tegelijk zodra het maatwerk klaar is – zo betaalt u maar één keer verzendkosten.


